product
제품소개


UPS 5000 Series
5300 Series
삼상/삼상
순수정현파와 IGBT 인버터 기반의 온라인 이중변환 UPS로,
다양한 IT·산업 장비에 무순단 고품질 전원을 제공합니다
주요기능
높은 신뢰성에 의한 운전
- double-conversion(converter-inverter)에 의한 on line type
- 충전부의 고성능화에 의한 충전시간 감소
- 추가 증설에 의한 전원 이중화 시스템 구현
- 심방전에 대해 보호 기능
- 축전지 수명 증대
- 과전압, 과전류, SURGE보호회로 내장 및 EMI FILTER 내장으로 인한 고주파 감쇄
- FILTER회로 내장 파형 왜율 극소화로 기기의 오작동 방지 및 수명 연장
높은 기능성에 의한 운전
- 인버터에 의한 기동(축전지 방전시에도 기동가능)
- 자동 절체 기능(BYPASS-INVERTER)
- 극한 환경에서의 시스템 보호 기능
- 고효율 실현으로 열과 소음이 없어 경제적 이익
User Interface
- LCD DISPLAY 및 MIMIC PANEL 채용에 의한 효율적인 관리
- 쉬운 설치와 조작성
- UPS 자체 진단 기능
OPTION
- RS-232C에 의한 통신 솔루션
- SNMP에 의한 통합 매니지먼트 솔루션
- 원거리 지역의 REMOTE 제어 및 관리 기능
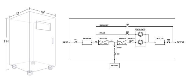
치수외형도 및 구성, 동작기능

용량(KVA)
10
15
20
30
50
60
75
100
150
200
외함크기(mm)
외함크기(mm)
외함크기(mm)
외함크기(mm)
외함크기(mm)
외함크기(mm)
외함크기(mm)
외함크기(mm)
외함크기(mm)
외함크기(mm)
외함크기(mm)
Width
650
650
650
750
900
1000
1000
1000
1660
1660
Depth
760
760
760
850
750
850
850
950
960
960
Height
1200
1200
1200
1245
1500
1600
1600
1800
1750
1750
Total Height
1305
1305
1305
1350
1605
1705
1705
1905
1825
1825
무게(kg)
325
330
325
390
580
720
960
1150
1350
1500
* 상기 외함의 크기 및 중량은 부하용량 기준이며 용도 및 특성에 의해 차이가 날 수 있습니다.
전기적 사양
구분
특성
특성
특성
특성
특성
특성
특성
특성
특성
특성
용량(KVA)
10
15
20
30
50
60
75
100
150
200
일반특성
일반특성
일반특성
일반특성
일반특성
일반특성
일반특성
일반특성
일반특성
일반특성
일반특성
냉각방식
강제풍냉식
강제풍냉식
강제풍냉식
강제풍냉식
강제풍냉식
강제풍냉식
강제풍냉식
강제풍냉식
강제풍냉식
강제풍냉식
사용정격
100% 연속사용
100% 연속사용
100% 연속사용
100% 연속사용
100% 연속사용
100% 연속사용
100% 연속사용
100% 연속사용
100% 연속사용
100% 연속사용
정류 및 충전제어방식
3상 전파정류 위상제어 방식
3상 전파정류 위상제어 방식
3상 전파정류 위상제어 방식
3상 전파정류 위상제어 방식
3상 전파정류 위상제어 방식
3상 전파정류 위상제어 방식
3상 전파정류 위상제어 방식
3상 전파정류 위상제어 방식
3상 전파정류 위상제어 방식
3상 전파정류 위상제어 방식
정류 및 충전사용소자
THYRISTOR
THYRISTOR
THYRISTOR
THYRISTOR
THYRISTOR
THYRISTOR
THYRISTOR
THYRISTOR
THYRISTOR
THYRISTOR
인버터 제어방식
고주파(20㎑)순시제어 PWM방식
고주파(20㎑)순시제어 PWM방식
고주파(20㎑)순시제어 PWM방식
고주파(20㎑)순시제어 PWM방식
고주파(20㎑)순시제어 PWM방식
고주파(20㎑)순시제어 PWM방식
고주파(20㎑)순시제어 PWM방식
고주파(20㎑)순시제어 PWM방식
고주파(20㎑)순시제어 PWM방식
고주파(20㎑)순시제어 PWM방식
인버터 사용소자
I.G.B.T(Insulated Gate Bipolar Transistor)
I.G.B.T(Insulated Gate Bipolar Transistor)
I.G.B.T(Insulated Gate Bipolar Transistor)
I.G.B.T(Insulated Gate Bipolar Transistor)
I.G.B.T(Insulated Gate Bipolar Transistor)
I.G.B.T(Insulated Gate Bipolar Transistor)
I.G.B.T(Insulated Gate Bipolar Transistor)
I.G.B.T(Insulated Gate Bipolar Transistor)
I.G.B.T(Insulated Gate Bipolar Transistor)
I.G.B.T(Insulated Gate Bipolar Transistor)
ST/SW 절체방식
무순단 동기 절체
무순단 동기 절체
무순단 동기 절체
무순단 동기 절체
무순단 동기 절체
무순단 동기 절체
무순단 동기 절체
무순단 동기 절체
무순단 동기 절체
무순단 동기 절체
변압기 절연계급
H종
H종
H종
H종
H종
H종
H종
H종
H종
H종
입력전원
입력전원
입력전원
입력전원
입력전원
입력전원
입력전원
입력전원
입력전원
입력전원
입력전원
상수
3Φ 3W, 3Φ 4W
3Φ 3W, 3Φ 4W
3Φ 3W, 3Φ 4W
3Φ 3W, 3Φ 4W
3Φ 3W, 3Φ 4W
3Φ 3W, 3Φ 4W
3Φ 3W, 3Φ 4W
3Φ 3W, 3Φ 4W
3Φ 3W, 3Φ 4W
3Φ 3W, 3Φ 4W
정격전압
208V, 220V, 380V, 440V
208V, 220V, 380V, 440V
208V, 220V, 380V, 440V
208V, 220V, 380V, 440V
208V, 220V, 380V, 440V
208V, 220V, 380V, 440V
208V, 220V, 380V, 440V
208V, 220V, 380V, 440V
208V, 220V, 380V, 440V
208V, 220V, 380V, 440V
전압변동범위
정격의 ±10%
정격의 ±10%
정격의 ±10%
정격의 ±10%
정격의 ±10%
정격의 ±10%
정격의 ±10%
정격의 ±10%
정격의 ±10%
정격의 ±10%
정격주파수
60㎐ ±5%
60㎐ ±5%
60㎐ ±5%
60㎐ ±5%
60㎐ ±5%
60㎐ ±5%
60㎐ ±5%
60㎐ ±5%
60㎐ ±5%
60㎐ ±5%
출력원
출력원
출력원
출력원
출력원
출력원
출력원
출력원
출력원
출력원
출력원
상수
3Φ 3W, 3Φ 4W
3Φ 3W, 3Φ 4W
3Φ 3W, 3Φ 4W
3Φ 3W, 3Φ 4W
3Φ 3W, 3Φ 4W
3Φ 3W, 3Φ 4W
3Φ 3W, 3Φ 4W
3Φ 3W, 3Φ 4W
3Φ 3W, 3Φ 4W
3Φ 3W, 3Φ 4W
정격전압
208V, 220V, 380V, 440V
208V, 220V, 380V, 440V
208V, 220V, 380V, 440V
208V, 220V, 380V, 440V
208V, 220V, 380V, 440V
208V, 220V, 380V, 440V
208V, 220V, 380V, 440V
208V, 220V, 380V, 440V
208V, 220V, 380V, 440V
208V, 220V, 380V, 440V
전압안정도
±2% 이내
±2% 이내
±2% 이내
±2% 이내
±2% 이내
±2% 이내
±2% 이내
±2% 이내
±2% 이내
±2% 이내
정격주파수
60㎐ ±0.2% 이내
60㎐ ±0.2% 이내
60㎐ ±0.2% 이내
60㎐ ±0.2% 이내
60㎐ ±0.2% 이내
60㎐ ±0.2% 이내
60㎐ ±0.2% 이내
60㎐ ±0.2% 이내
60㎐ ±0.2% 이내
60㎐ ±0.2% 이내
주파수 동기범위
±1 ㎐
±1 ㎐
±1 ㎐
±1 ㎐
±1 ㎐
±1 ㎐
±1 ㎐
±1 ㎐
±1 ㎐
±1 ㎐
(1)과도전압 변동
±5% 이내
±5% 이내
±5% 이내
±5% 이내
±5% 이내
±5% 이내
±5% 이내
±5% 이내
±5% 이내
±5% 이내
(2)과도응답 속도
20mS 이내(±2% 이내로 복귀기준)
20mS 이내(±2% 이내로 복귀기준)
20mS 이내(±2% 이내로 복귀기준)
20mS 이내(±2% 이내로 복귀기준)
20mS 이내(±2% 이내로 복귀기준)
20mS 이내(±2% 이내로 복귀기준)
20mS 이내(±2% 이내로 복귀기준)
20mS 이내(±2% 이내로 복귀기준)
20mS 이내(±2% 이내로 복귀기준)
20mS 이내(±2% 이내로 복귀기준)
출력 전압 조정
±5%
±5%
±5%
±5%
±5%
±5%
±5%
±5%
±5%
±5%
파형왜율
THD 3% 이내(LINEAR부하 100%기준)
THD 3% 이내(LINEAR부하 100%기준)
THD 3% 이내(LINEAR부하 100%기준)
THD 3% 이내(LINEAR부하 100%기준)
THD 3% 이내(LINEAR부하 100%기준)
THD 3% 이내(LINEAR부하 100%기준)
THD 3% 이내(LINEAR부하 100%기준)
THD 3% 이내(LINEAR부하 100%기준)
THD 3% 이내(LINEAR부하 100%기준)
THD 3% 이내(LINEAR부하 100%기준)
과부하 내량
120% 10분 이하
120% 10분 이하
120% 10분 이하
120% 10분 이하
120% 10분 이하
120% 10분 이하
120% 10분 이하
120% 10분 이하
120% 10분 이하
120% 10분 이하
역률
지상 0.8%
지상 0.8%
지상 0.8%
지상 0.8%
지상 0.8%
지상 0.8%
지상 0.8%
지상 0.8%
지상 0.8%
지상 0.8%
소음
65db 이하
65db 이하
65db 이하
65db 이하
65db 이하
65db 이하
65db 이하
65db 이하
65db 이하
65db 이하
종합효율
85% 이상
85% 이상
85% 이상
88% 이상
88% 이상
88% 이상
88% 이상
90% 이상
90% 이상
90% 이상
동기절제
동기절제
동기절제
동기절제
동기절제
동기절제
동기절제
동기절제
동기절제
동기절제
동기절제
동기절체시간
4mS 이내
4mS 이내
4mS 이내
4mS 이내
4mS 이내
4mS 이내
4mS 이내
4mS 이내
4mS 이내
4mS 이내
절체조건
인버터 비정상시 / 출력 과부하시 / 직류 저전압시 / 수동 절체시
인버터 비정상시 / 출력 과부하시 / 직류 저전압시 / 수동 절체시
인버터 비정상시 / 출력 과부하시 / 직류 저전압시 / 수동 절체시
인버터 비정상시 / 출력 과부하시 / 직류 저전압시 / 수동 절체시
인버터 비정상시 / 출력 과부하시 / 직류 저전압시 / 수동 절체시
인버터 비정상시 / 출력 과부하시 / 직류 저전압시 / 수동 절체시
인버터 비정상시 / 출력 과부하시 / 직류 저전압시 / 수동 절체시
인버터 비정상시 / 출력 과부하시 / 직류 저전압시 / 수동 절체시
인버터 비정상시 / 출력 과부하시 / 직류 저전압시 / 수동 절체시
인버터 비정상시 / 출력 과부하시 / 직류 저전압시 / 수동 절체시
정전보상시간
30분 ~ 8시간(선택)
30분 ~ 8시간(선택)
30분 ~ 8시간(선택)
30분 ~ 8시간(선택)
30분 ~ 8시간(선택)
30분 ~ 8시간(선택)
30분 ~ 8시간(선택)
30분 ~ 8시간(선택)
30분 ~ 8시간(선택)
30분 ~ 8시간(선택)
OPTION
RS-232C PORT를 이용한 원격감시제어
RS-232C PORT를 이용한 원격감시제어
RS-232C PORT를 이용한 원격감시제어
RS-232C PORT를 이용한 원격감시제어
RS-232C PORT를 이용한 원격감시제어
RS-232C PORT를 이용한 원격감시제어
RS-232C PORT를 이용한 원격감시제어
RS-232C PORT를 이용한 원격감시제어
RS-232C PORT를 이용한 원격감시제어
RS-232C PORT를 이용한 원격감시제어
* 상기 외함의 크기 및 중량은 부하용량 기준이며 용도 및 특성에 의해 차이가 날 수 있습니다.

